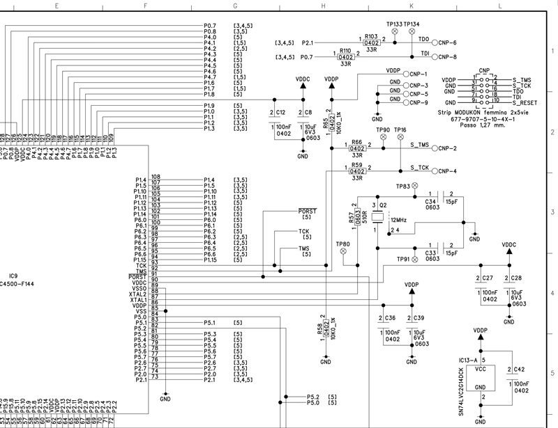
Schema Elettrico

schema-elettrico02-full
schema-elettrico03-full

Affidabilità e Precisione per un Funzionamento Ottimale

La progettazione iniziale del PCB con disegni schematici associati e relativa documentazione influenzano moltissimo il progetto. Un semplice errore commesso da parte di operatori inesperti, il mancato rispetto delle normative o richiamo del prodotto di apparecchiature mal progettato, può causare un costoso e fallimentare funzionamento dell’apparecchiatura.

La scelta dei fornitori basata sulla loro affidabilità tecnica, progettuale ed amministrativa dovrebbe essere fonte di garanzia. In questo caso il fornitore diventa un “partner” in grado di consegnare ottimi prodotti nei tempi previsti, fornire assistenza e soprattutto individuare le nuove esigenze del Cliente.

Procediamo su richiesta alla stesura dello schema elettrico a normative CEI, a fine lavoro viene consegnato il file originale elaborato in PADS Logic e PDF intelligente (Acrobat).

IL PROGRAMMA UTILIZZATO

Lo Schematic Entry PADS Logic della Mentor è fornito in abbinamento con il PADS Layout ed è pienamente integrato con esso.

Questo software utilizza la stessa interfaccia di gestione e le librerie del PCB design. Si può acquistare separatamente come programma stand-alone per la stesura degli schemi elettrici.

Informazioni dettagliate si possono reperire dal sito della casa madre: Mentor Graphics, mentre per l’eventuale acquisto contattare la CADlog Srl.